December 09, 2011

1994 Mazda RX-7 SRS Air Bag System Wiring Diagrams

Sponsored Links:


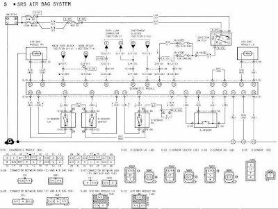
The following schematic will be about the SRS air bag system of a 1994 Mazda RX-7. The RX-7 is included as a sports car that were produced during the period of time of 1978-2002.

This wiring diagram is about the Mazda RX-7 SRS air bag system. SRS here stands for supplemental restraint system, it's just another word air bags commonly used in Northern America. There are just a few components we will find inside, but we hope you don't take that for granted, so you can perform your wiring work properly. Some of the parts are like air bag module, ignition switch, instrument cluster, data link connector, main fuse block, horn relay, and battery.

You can save this image in your computer, just go over the image and right click with your mouse, and choose save image as, and name the file in .jpg, and that's it, you have your own copy of this 1994 Mazda RX-7 SRS air bags systems wiring diagram.

1994 Mazda RX-7 SRS Air Bag System Wiring Diagrams

No comments:

Post a Comment