Now check this next image, this is the
1998 Jeep Grand Cherokee brake light wiring diagram. The 1998 Jeep
Grand Cherokee comes in two models, the Tsi and the 5.9 L Limited ZJ.
The Tsi model is the sporty model while the 5.9 Limited is a more
luxury and performance Jeep.
![]() |
| 1998 Jeep Grand Cherokee |
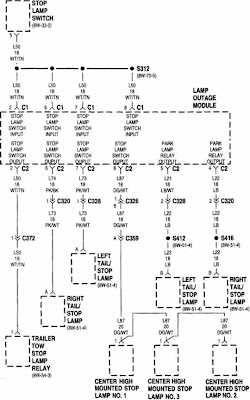
About this brake light wiring diagram,
it should be a quite simple schematic to read. You can see each
components and their connections. Read them through and understand
them before performing assembly or troubleshooting work with your
Jeep Grand Cherokee. Three things you can do are; disconnect the
battery, check the wiring connections, and check the components for
broken parts.
![]() |
| Jeep Grand Cherokee 1998 Brake Light Wiring Diagram |
About the components, you will see here
parts like: stop lamp switch, lamp outage module, stop lamp switch
input, left tail/stop lamp, right tail/stop lamp, trailer tow stop
lamp relay, etc. Save this image by right clicking on it and then
press save image as...


Good comments for some more tech savy users. The new Grand Cherokee looks amazing!
ReplyDelete